Regulátor Elementair-E MARK I

Regulátor Elementair-E MARK I slouží k plynulému řízení otáček EC ventilátoru a teploty v prostoru. Jeho SW je optimalizován pro ovládání provozu vzduchových clon a vytápěcích jednotek s EC motory.

Pohledný design umožňuje použití i v komerčních prostorech.

Regulátor Elementair-E MARK I

Výhody produktu

Doporučená montáž

Regulátor Elementair-E MARK I se doporučuje montovat do výšky cca 1,5 m od podlahy na stěnu nebo na instalační podomítkovou krabici. Nedoporučujeme instalovat regulátor Elementair-E MARK I v místech, kde je průvan a poblíž významnějších zdrojů tepla.

Velikost regulátoru

výška 85 mm

šířka 85 mm

hloubka 30 mm

Čelní panel regulátoru Elementair-E MARK I

Zadní panel regulátoru Elementair-E MARK I

Zadní panel regulátoru Elementair-E  MARK I

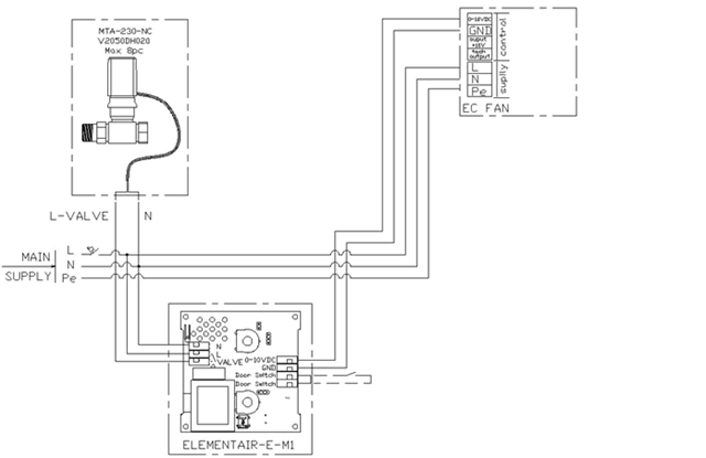
For maximum use of the features, the Elementair-E controller has contacts marked as "Door Switch" and "Valve".

The "Door Switch" contact is primarily intended for air curtains. This input allows the door switch to be connected, which means that the shutter automatically switches from shutter mode to heating mode.

The "Valve" contact controls an electrically operated valve. When using these two inputs, the maximum efficiency of the connected devices is guaranteed.

Doporučené elektrické zapojení regulátoru Elementair-E MARK I

Doporučené elektrické zapojení regulátoru Elementair-E MARK I

Spring terminals with manual wire locking are used to connect the wires. A strand-type conductor (cable) and a solid conductor (wire) in the cross-section range from 0.5 to 1.5 mm² can be installed in the terminals.

Description of control logic:

required temperature control (space reheating) at the required flow according to the user's choice
the device runs at a preset speed by the user, after reaching the required temperature the device switches off.
the valve with the drive is open - the device is heating, the valve control is in the switching logic with the fan (the device is switched off, the valve is closed).
the "Door Switch" contact is connected (sensing the opening of doors, gates, windows, etc.):
open (eg door open) - the device starts at max. speed, ignores the room thermostat setting. The heating is always full - the valve is open
closed (eg door closed) - the device returns to the thermostat control mode, ie. that the device returns to the set speed
user and is controlled by a room thermostat according to the ambient temperature and the required temperature

Mám zájem o produkt

Jméno
Email
Telefon
Vaše zpráva